|
产品 |
图 |
主要尺寸 mm |
机械破坏负荷 |
工频电压 |
重量 |
|||||||
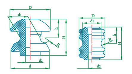
|
H |
h1 |
h2 |
D |
d1 |
d2 |
拉伸 |
弯曲 |
干闪 |
湿闪 |
|||
|
WX-01 |
1 |
75 |
30 |
30 |
75 |
27 |
27 |
5 |
2 |
30 |
10 |
0.9 |
|
WX-02 |
2 |
75 |
30 |
30 |
115 |
27 |
27 |
5 |
2 |
35 |
13 |
1.0 |
|
WH-01 |
3 |
25 |
— |
— |
65 |
— |
23 |
— |
— |
— |
— |
0.32 |
|
WH-02 |
3 |
32 |
— |
— |
90 |
— |
28 |
— |
— |
— |
— |
0.50 |

|
产品 |
图 |
主要尺寸 mm |
瓷件机械破坏强度 |
工频电压 不小于 kV |
重量 |
||||||
|
H |
h |
D |
d1 |
d2 |
R |
干闪 |
湿闪 |
||||
|
EX-1 |
4 |
90 |
45 |
85 |
55 |
22 |
12 |
15 |
22 |
9 |
|
|
EX-2 |
4 |
75 |
37.5 |
70 |
45 |
20 |
10 |
12 |
18 |
8 |
|
|
EX-3 |
4 |
65 |
32.5 |
65 |
40 |
16 |
8 |
10 |
16 |
6 |
|
|
EX-4 |
4 |
50 |
25 |
55 |
35 |
16 |
6 |
7 |
14 |
5 |
|

|
产品 |
图 |
主要尺寸 mm |
瓷件机械破坏强度 |
工频电压 不小于 kV |
重量 |
|||||||
|
H |
h |
D |
d |
d1 |
d2 |
R |
干闪 |
湿闪 |
||||
|
ED-1 |
3 |
90 |
46 |
100 |
95 |
50 |
22 |
12 |
12 |
22 |
10 |
0.8 |
|
ED-2 |
3 |
75 |
38 |
80 |
75 |
42 |
20 |
10 |
10 |
18 |
9 |
0.5 |
|
ED-3 |
3 |
65 |
34 |
70 |
65 |
36 |
16 |
8 |
8 |
16 |
7 |
0.25 |
|
ED-4 |
3 |
50 |
26 |
60 |
55 |
30 |
16 |
6 |
5 |
14 |
6 |
|

|
产品 |
图 |
主要尺寸 mm |
瓷件机械 |
工频电压 |
重量 |
||||||||||
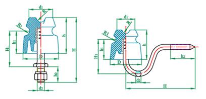
|
H |
H1 |
h |
h1 |
h2 |
D |
d1 |
d2 |
R |
R1 |
干闪 |
湿闪 |
||||
|
PD-1T |
1 |
145 |
80 |
80 |
50 |
35 |
80 |
50 |
16 |
10 |
10 |
8 |
35 |
15 |
0.8 |
|
PD-1M |
1 |
220 |
80 |
80 |
50 |
110 |
80 |
50 |
16 |
10 |
10 |
8 |
35 |
15 |
0.92 |
|
PD-2T |
1 |
125 |
69 |
66 |
45 |
35 |
70 |
44 |
12 |
8 |
8 |
5 |
30 |
12 |
|
|
PD-2M |
1 |
195 |
69 |
66 |
45 |
105 |
70 |
44 |
12 |
8 |
8 |
5 |
30 |
12 |
|
|
PD-2W |
2 |
155 |
72 |
66 |
45 |
55 |
70 |
44 |
12 |
8 |
8 |
5 |
30 |
12 |
|

|
产品 |
图 |
主要尺寸 mm |
机械破坏负荷 |
工频电压 不小于kV |
重量 |
|||||||
|
L |
l |
D |
B |
b |
d |
R |
干闪 |
湿闪 |
||||
|
J-5 |
1 |
38 |
— |
30 |
— |
20 |
— |
4 |
5 |
4 |
2 |
|
|
J-10 |
1 |
50 |
— |
38 |
— |
26 |
— |
6 |
10 |
5 |
2.5 |
|
|
J-20 |
1 |
72 |
— |
53 |
— |
30 |
— |
8 |
20 |
6 |
2.8 |
|
|
J-45 |
2 |
90 |
42 |
64 |
58 |
45 |
14 |
10 |
45 |
20 |
10 |
0.52 |
|
J-54 |
2 |
108 |
57 |
73 |
68 |
54 |
22 |
10 |
54 |
25 |
12 |
|
|
J-70 |
3 |
146 |
73 |
— |
73 |
44 |
22 |
13 |
70 |
— |
15 |
|
|
J-90 |
3 |
172 |
72 |
— |
88 |
60 |
25 |
14 |
90 |
30 |
20 |
1.9 |
|
J-160 |
3 |
216 |
90 |
— |
115 |
67 |
38 |
22 |
160 |
— |
— |
|