|
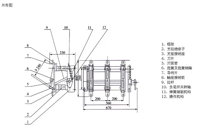
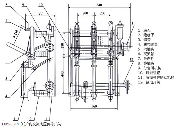
概述 FN5-12R(L)型户内交流高压负荷开关-熔断器组合电器是我厂吸收消化国外先进技术,结合我国的供电要求,自行设计研制而成的。该产品经全面型式实验和长期的试运行考核、性能达到IEC420《交流高压负荷开关-熔断器组合电器》(1990版)和GB3804 《3-63KV交流高压负荷开关》标准要求,与国外同类产品比较,技术参数已达到同类产品水平,具有体积小、重量轻,可用于环网柜和箱式变电站,广泛应用于12KV线路的电能分配,并有效地避免了设备的缺相运行。 该产品的研制成功填补了国内空白,可实现开关、隔离和接地三工位。 |
|
用途 FN5-12R(L)型户内交流高压负荷开关-熔断器组合电器亦称带脱装置负荷开关(以下简称开关),适用于50Hz,额定电压6-12KV的网络中,可开断负荷电流、过载电流及短路电流,本负荷开关配用CS6-Ⅰ型手动操作机构,本产品专用的CS□手动机构。 型号含义 |
.jpg)
使用环境
|
技术参数 |
.jpg)
.jpg)
.jpg)
.jpg)
.jpg)
.jpg)
.jpg)
.jpg)
.jpg)
.jpg)
.jpg)
.jpg)
.jpg)