概述
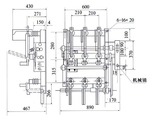
FN7-12DR 型交流高压负荷开关(以下简称负荷开关)是一种新型产气式户内高压负荷开关,适用于交流50HZ,额定电压12KV的三相交流电力系统中,作为开断负荷电流及关合短路电流之用。
FN7-12型系列高压负荷及熔断器组合电器是在FN7-12系列高压负荷开关的基础上,增加侧面操作机构、使得安装更加简捷方便,能够满足广大用户的不同要求。
型号含义
.jpg)
|
正常工作环境 1、周围空气温度 不高于 +40oC 不低于-25oC;
2、海拔不超过1000米; 3、相对湿度,日平均值不大于95%,月平均值不大于90%; 4、周围空气应不受腐蚀性、可燃性气体及水蒸汽体等明显污染; 5、无经常性的剧烈运动; |
|
额定参数 |
.jpg)
.jpg)
.jpg)
.jpg)
.jpg)
.jpg)
.jpg)